• 首页
  • 关于我们
    • 公司简介
    • 企业文化
    • 组织机构
    • 营销网络
    • 加入我们
  • 代理品牌
  • 产品中心
  • 新闻中心
    • 行业资讯
    • 精选干货
    • 公司动态
    • 职场管理
    • 促销活动
    • Apple Watch 7完全拆解 显示屏变大真相 | 飞捷士科技
  • 资源中心
    • 视频下载
    • 资料下载
    • 软件下载
  • 荣誉资质
    • 资质证书
    • 服务介绍
    • 质量体系
  • 联系我们
logo
  • 首页
  • 关于我们
    • 公司简介
    • 企业文化
    • 组织机构
    • 营销网络
    • 加入我们
  • 代理品牌
  • 产品中心
  • 新闻中心
    • 行业资讯
    • 精选干货
    • 公司动态
    • 职场管理
    • 促销活动
    • Apple Watch 7完全拆解 显示屏变大真相 | 飞捷士科技
  • 资源中心
    • 视频下载
    • 资料下载
    • 软件下载
  • 荣誉资质
    • 资质证书
    • 服务介绍
    • 质量体系
  • 联系我们
中文 ENGLISH

行业资讯

首页      行业资讯

华润微IGBT在逆变焊机中的应用

2022-07-08

图片

图片 应用描述

在竞争激烈的焊接市场,越来越青睐轻便且经济实惠的焊接设备。提高焊机工作频率,将大大减少整机重量,体积显著缩小,铜、铁等材料和能量损耗大幅度降低,同时电源动态响应时间提高两个数量级以上,可以带来焊接性能提高。

CRMICRO 综合考虑高频焊机的发展趋势,在上一代技术的基础上,优化了应用于焊机领域的IGBT产品,大幅降低了IGBT器件的开关损耗,提升了器件开关速度,客户使用华润微电子的IGBT,在输出同等功率条件下,能大幅提升焊机开关频率,减小焊机尺寸,降低生产成本,提升焊机整体的性价比。

CRMICRO 焊机辅电部分的MOS产品采用自主专利的元胞和终端设计,具备抗冲击力强、可靠性好、性价比高的优势。

产品特色


1.Vce(sat)正温度系数,易并联


2.IGBT 经过100% 开关测试

3.产品设计综合考虑各拓扑方案对器件电压的需求


4.器件具有强雪崩耐量和短路耐受时间

5.IGBT具有低的Vce(sat)和开关损耗


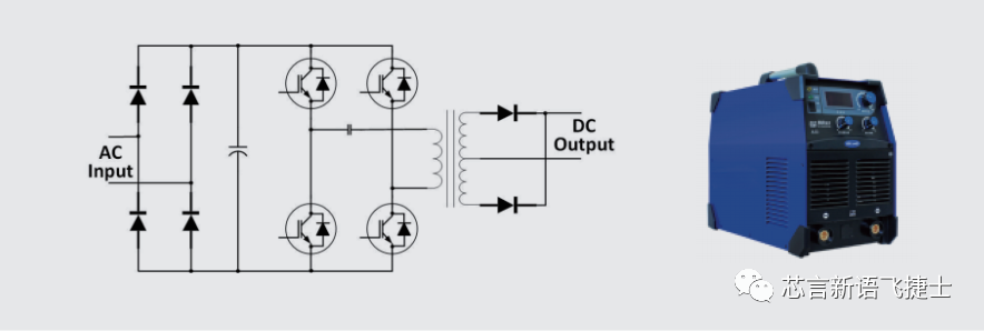
图片 应用原理图

图片

图片 典型应用拓扑图

图片

图片 应用选型推荐

图片

深圳市飞捷士科技有限公司是专业的功率器件分销商,主要代理特诺,华润华晶,立錡,美芯晟,国民技术,晟矽微,欧创芯等产品,同时推广英飞凌,意法半导体,TI等国际知名品牌功率器件。作为功率器件专家,公司一直为广大客户提供半导体配套产品及前卫的解决方案。为客户提供从产品资料,产品选型,供应保障及物流服务等专业服务。


回列表
  • 微信联系

    微信扫描二维码
    了解产品

  • 在线咨询
  • 电话咨询

    联系我们

    18926414877

  • 隐藏

关于我们

  • 公司简介
  • 企业文化
  • 组织机构
  • 营销网络
  • 加入我们

代理品牌

  • CS(华润华晶)
  • RT(立锜)
  • SL(士兰微)
  • ON(安森美)
  • Infineon(英飞凌)

产品中心

  • 立锜/RICHTEK
  • 华晶/CS
  • 特诺/TIONER
  • 士兰微/SILAN
  • 安森美/ON

新闻中心

  • 行业资讯
  • 精选干货
  • 公司动态
  • 职场管理
  • 促销活动

资源中心

  • 视频下载
  • 资料下载
  • 软件下载

荣誉资质

  • 资质证书
  • 服务介绍
  • 质量体系

联系我们

友情链接: 飞捷士智能 特诺 特诺半导体 飞捷士科技新官网
深圳市飞捷士科技有限公司   Copyright © WPG Holdings All rights reserved. 备案号:粤ICP备10240301号